|
亚博买球APP下载官网2022年1月环境信息公示时间:2022-02-01 一、企业基本信息
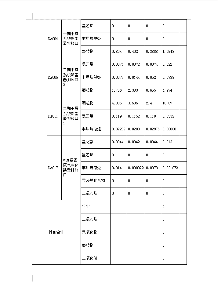
二、排污许可污染物排放信息 4、污染物排放执行标准: (3)烧碱、聚氯乙烯工业污染排放标准GB15581-2016; (4)恶臭污染排放标准GB14554-93 5、废水主要污染物种类:氨氮(NH3-N),pH值,化学需氧量,磷酸盐,总硬度,电导率 污水排放口:0个(2016年6月起我公司实现污水“零排放”,污水排口已封死,见照片)
三、污染防治环保设施建设、运行情况
四、环保相关批复
2、陕西省环境保护局关于亚博买球APP下载官网10万吨年聚氯乙烯工程项目竣工环境保护验收批复
3、亚博买球APP下载官网二期20万吨年聚氯乙烯项目环境影响报告书的批复
4、榆林市环境保护局关于亚博买球APP下载官网二期(I)聚氯乙烯项目环保设施竣工验收的批复
五、排污许可证及执行报告 注:排污许可证及执行报告具体内容请扫描二维码查询
五、企业事业单位突发环境事件应急预案备案表
七、排污许可证执行报告
八、2022年危险废物转移处理计划
九、2022年1月份固体废物产生、转移处理量统计
亚博买球APP下载官网 2022年1月1日 |








































